
বিস্তারিত পণ্যের বিবরণ
| সুবিধা: | উচ্চ গতি | লেবেলিং গতি: | 60-200 পিসি / মিনিট |
|---|---|---|---|
| ফাংশন: | আঠালো স্টিকার লেবেলিং | উপাদান: | মরিচা রোধক স্পাত |
| বোতল ধরণ: | স্বয়ংক্রিয় রাউন্ড বোতল লেবেলার জার | প্রয়োগ: | সমস্ত ধরণের রাউন্ড কনটেইনার জন্য |
| পিএলসি ব্র্যান্ড: | মিত্বলশি (জাপান | সার্ভ লেবেলিং মোটর: | ডেল্টা (তাইওয়ান) |
রেড ওয়াইন লেবেলিং মেশিন গ্লাস ওয়াইন বোতল লেবেলিং মেশিন, পিএলসি কন্ট্রোল সিস্টেম মিত্তবিশি ব্র্যান্ড লেবেলিং মেশিন
বৈশিষ্ট্য:
1. অপারেশন: পিএলসি নিয়ন্ত্রণ ব্যবস্থা লেবেলিং মেশিনকে কাজ করা সহজ করে তোলে
2. উপাদান: লেবেল মেশিনের প্রধান শরীরটি SUS304 স্টেইনলেস স্টিল দিয়ে তৈরি
৩. কনফিগারেশন: আমাদের লেবেলিং মেশিনগুলি সুপরিচিত জাপানি, জার্মান, আমেরিকান, কোরিয়ান বা তাইওয়ান ব্র্যান্ডের অংশগুলি গ্রহণ করে
৪. নমনীয়তা: ক্লায়েন্ট প্রিন্টার এবং কোড মেশিন যুক্ত করতে বেছে নিতে পারে; কনভারিয়ারের সাথে সংযোগ স্থাপন করতে বা বেছে নিতে পারে।
প্রযুক্তিগত পরামিতি:
| নাম | উচ্চ গতির হাতা জন্য স্বয়ংক্রিয় বৃত্তাকার ওয়াইন বোতল সঙ্কুচিত বৃত্তাকার বোতল লেবেল মেশিন |
| লেবেলিং গতি | 60-350 পিসি / মিনিট |
| অবজেক্টের উচ্চতা | 30-350 মিমি |
| বস্তুর পুরুত্ব | 20-120 মিমি |
| লেবেলের উচ্চতা | 5-180 মিমি |
| লেবেলের দৈর্ঘ্য | 25-300 মিমি |
| লেবেল রোলার ভিতরে ব্যাস | 76 মিমি |
| লেবেল রোলারের বাইরে ব্যাস | 420 মিমি |
| লেবেলিংয়ের নির্ভুলতা | ± 1 মিমি |
| বিদ্যুৎ সরবরাহ | 220V 50 / 60HZ 3.5KW |
| প্রিন্টারের গ্যাস ব্যবহার | 5 কেজি / এম 2 (কোডিং মেশিন যুক্ত করা হলে) |
| লেবেলিং মেশিনের আকার | 2800 (এল) × 1650 (ডাব্লু) × 1500 (এইচ) মিমি |
| লেবেলিং মেশিনের ওজন | 180 কেজি |
কনফিগারেশন
| না | অংশ | ব্র্যান্ড | পরিমাণ |
| 1 | পিএলসি | মিত্বলশি (জাপান) | 1 |
| 2 | প্রধান রূপান্তরকারী | ড্যানফোস (ডেনমার্ক) | 1 |
| 4 | এইচএমআই | উইনভিউ (তাইওয়ান) | 1 |
| 5 | সার্ভ লেবেলিং মোটর | ডেল্টা (তাইওয়ান) | 1 |
| 6 | সার্ভ লেবেলিং মোটর চালক | ডেল্টা (তাইওয়ান) | 1 |
| 7 | পরিবাহক মোটর | এইচওয়াই (তাইওয়ান) | 1 |
| 8 | কনভেয়র মোটর গিয়ারবক্স | এইচওয়াই (তাইওয়ান) | 1 |
| 9 | বিভাজন বোতল মোটর | জিপিজি (তাইওয়ান) | 1 |
| 10 | বিভক্ত বোতল মোটর গিয়ারবক্স | জিপিজি (তাইওয়ান) | 1 |
| 11 | বোতল বিচ্ছিন্ন মোটর গতির গভর্নর | জিপিজি (তাইওয়ান) | 1 |
| 12 | মোটর স্পোক | জিপিজি (তাইওয়ান) | 1 |
| 13 | স্পট মোটর গিয়ারবক্স | জিপিজি (তাইওয়ান) | 1 |
| 14 | বস্তু যাদু চোখ সনাক্ত | ওমরন (জাপান) | 1 |
| 15 | অপটিক্যাল ফাইবার | ওমরন (জাপান) | 1 |
যন্ত্র বিস্তারিত:

32 প্রধান লেবেলিং মেশিন অংশ

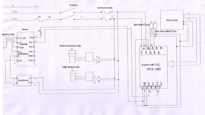
বর্তনী চিত্র

FAQ:
1 লেবেল বুদবুদ পায়
কারণ:
বোর্ডের খোসা ছাড়ানো ভাল / ফ্ল্যাট নয়;
Low লাঙ্গল বোর্ড ভাল / সমতল নয়;
③ লেবেল আউটপুট খুব দ্রুত বা সমাবেশ লাইনের গতি খুব কম;
④ লেবেলটি খুব আলগাভাবে টানা হয়
সমাধান:
Board বোর্ড থেকে ফ্ল্যাট খোসা ছাড়ানো;
Flat একটি সমতল লাঙ্গল বোর্ড পরিবর্তন;
The লেবেল আউটপুট গতি মন্থর করুন বা সমাবেশ লাইনের গতি বাড়ান;
Label লেবেল বেল্টটি সঠিকভাবে প্রভাবিত করে।
ট্যাগ: শিল্প লেবেলিং মেশিন, কাচের বোতল লেবেলিং মেশিন









